Electric Powertrain 3kW for Electric Tractor – Compact and Reliable System for Industrial Utility Use
MSM 3kW Electric Power train for Tractor
Our 3kW electric powertrain is engineered for industrial and commercial applications such as electric forklifts, tow tractors, utility trailers, and low-speed cargo vehicles. Designed to meet the high-torque demands of heavy-duty operation, this system delivers both performance and long-term durability.
With peak power up to 6kW and flexible voltage platforms (48V/60V/72V), the system integrates an AC motor, intelligent controller, and a reinforced rear axle—built to handle continuous load and harsh environments. Customizable gear ratios (18:1, 27:1, 41:1, etc.) allow optimization for specific speed and torque needs.
It integrates a high-efficiency PMSM motor with a smart controller and a durable rear axle, ensuring strong torque delivery and refined ride quality even on slopes or uneven terrain.
Tested in real-world use, this system enables consistent acceleration, low-noise operation, and high energy efficiency—all within a compact, easy-to-install package.
This rugged and fully-tested solution enables OEMs to confidently develop electric transport platforms that prioritize power, safety, and efficiency in logistics, warehousing, and industrial sectors.

Key Features
Fully engineered and Pre-tested as a complete drive solution
High-efficiency PMSM motor with up to 95% energy conversion rate
Controller with Bluetooth communication, CAN 2.0 support, and programmable logic
Regenerative braking & intelligent slope-hold feature
Customizable driving axle with low noise and high durability
Support for different vehicle chassis and wheel bolt patterns
Product Description
1. PMSM 3KW ELECTRIC MOTOR
Model No.: SEVS-NP145-48-100H
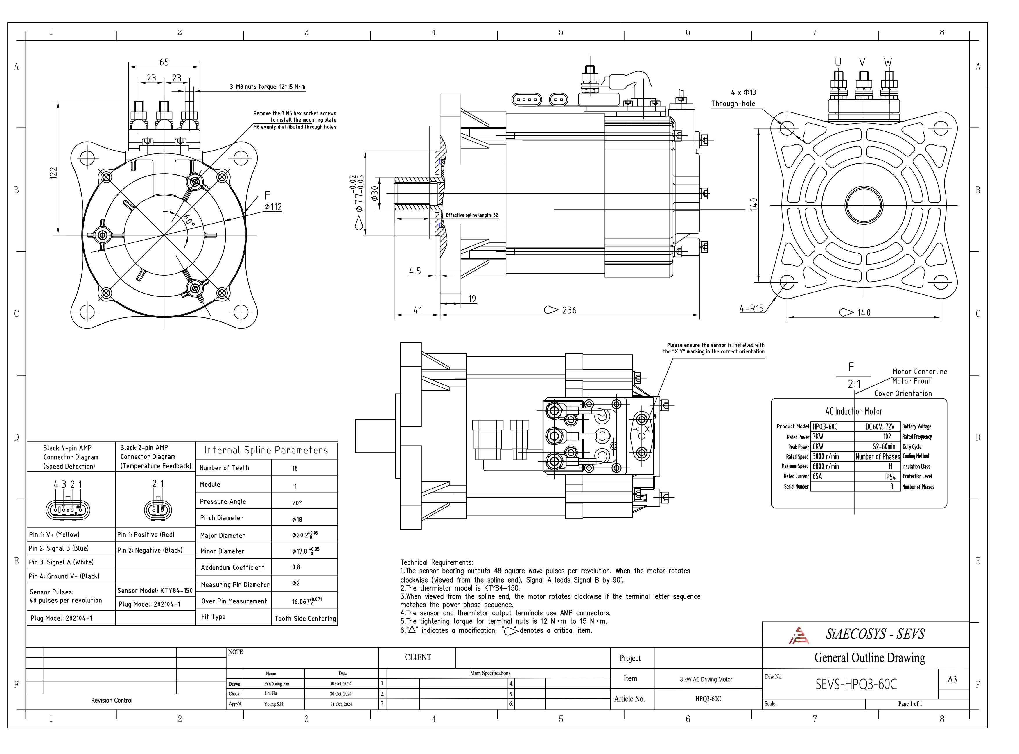
Dimension Drawing:

Multi-angle product photos:

2. PMSM 3.5KW ELECTRIC MOTOR
Model No.: APT2209.A0.00E.V3.2
Dimension Drawing:

Multi-angle product photos:

3. Rear Axle System
Model No.: JH-174-01
Dimension Drawing:

Multi-angle product photos:

Various Vehicle Usage Scenarios

Click below to contact our team or request your tailored quotation today.
[Inquire Now] [Get the latest catalogue]